外抽式真空包装机手册介绍
- 1 外抽真空机概述
- 2 它有哪些优点
- 3 调试与操作
- 4 电路图
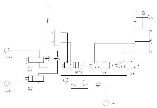
- 5 气路图
- 6 故障排除
- 6.1 真空包装漏气
- 6.2 封口封不住或封口不理想
- 6.3 封口不平整或有褶皱
- 6.4 加热条不加热
- 6.5 加热条经常烧断破裂
- 6.6 不抽真空或者真空速度慢
- 6.7 文本显示器显示正在通讯
- 7 维护与保养
- 8 质保须知
- 9 规格参数
气路图
- 2017-11-11 10:38:11
- 宏万机械
- 8777
- 最后编辑:hwadmin 于 2019-12-07 10:15:53
